Подключение кодонаборной панели, вызывной панели и кнопки
Подключение кодонаборной панели, вызывной панели и кнопки
Добрый день!
Имеется вызывная панель Anvizor ANC-2800W;
Кодонаборная панель TS-KBD-EM2;
Видеодомофон Tantos Amelie;
Электромагнитный замок;
Кнопка "Выход".
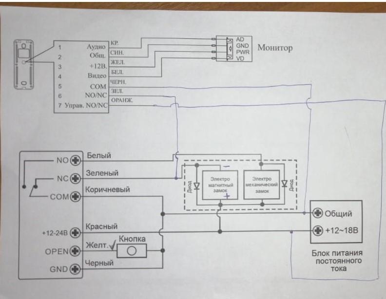
При сборе всего по схеме, прикрепленной в теме, не открывается замок.
При отключении от общей схемы кодонаборной панели (конкретно зеленого провода) или вызывной панели (также зеленого провода): открывает и кнопкой и подключенным зеленым проводом устройством.
Подскажите, пожалуйста, как собрать схему так, чтобы открывалось со всех источников (кодонаборная панель, видедомофон, кнопка)?
Имеется вызывная панель Anvizor ANC-2800W;
Кодонаборная панель TS-KBD-EM2;
Видеодомофон Tantos Amelie;
Электромагнитный замок;
Кнопка "Выход".
При сборе всего по схеме, прикрепленной в теме, не открывается замок.
При отключении от общей схемы кодонаборной панели (конкретно зеленого провода) или вызывной панели (также зеленого провода): открывает и кнопкой и подключенным зеленым проводом устройством.
Подскажите, пожалуйста, как собрать схему так, чтобы открывалось со всех источников (кодонаборная панель, видедомофон, кнопка)?
Re: Подключение кодонаборной панели, вызывной панели и кнопк
Ответ за 500:
Вы подключили NC контакты параллельно. т.е. если один контакт рвёт цепь, то другие не рвутся.
Вам нужно последовательное подключение - любой контакт рвёт цепь.
То бишь зеленый провод коданоборной панели идёт на черный вызывной - в итоге у вас получится что два устройства имеют 1 вход и 1 выход - вход зеленый провод вызывной, выход черный провод коданаборной.

Вы подключили NC контакты параллельно. т.е. если один контакт рвёт цепь, то другие не рвутся.
Вам нужно последовательное подключение - любой контакт рвёт цепь.
То бишь зеленый провод коданоборной панели идёт на черный вызывной - в итоге у вас получится что два устройства имеют 1 вход и 1 выход - вход зеленый провод вызывной, выход черный провод коданаборной.

Re: Подключение кодонаборной панели, вызывной панели и кнопк
Спасибо. Подскажите, что в таком случае будет являться входом для вызывной панели и выходом для кодонаборной? (на сколько я понял, выход для кодонаборной это "-" замка?).Оранжевый провод вызывной панели так и подключать к "+" питания?KonBez писал(а):Ответ за 500:
Вы подключили NC контакты параллельно. т.е. если один контакт рвёт цепь, то другие не рвутся.
Вам нужно последовательное подключение - любой контакт рвёт цепь.
То бишь зеленый провод коданоборной панели идёт на черный вызывной - в итоге у вас получится что два устройства имеют 1 вход и 1 выход - вход зеленый провод вызывной, выход черный провод коданаборной.
Re: Подключение кодонаборной панели, вызывной панели и кнопк
От замка идет плюс и минус, обычно красный и черный провод. Минус идёт от замка до минуса блока питания. Ваше реле будут рвать плюсовой провод. То бишь 12 В от БП идёт на зеленый провод вызывной, далее черный провод вызывной идет на зеленый коданаборной, а черный коданаборной идёт на красный замка. Всё цепь замкнута. На схеме наоборот - рвется минусовой провод, а плюсовой целым идёт от БП до замка.
Про оранжевый провод думаю подключайте, теоретически ничего плохого не будет.
Про оранжевый провод думаю подключайте, теоретически ничего плохого не будет.
Re: Подключение кодонаборной панели, вызывной панели и кнопк
KonBez писал(а):От замка идет плюс и минус, обычно красный и черный провод. Минус идёт от замка до минуса блока питания. Ваше реле будут рвать плюсовой провод. То бишь 12 В от БП идёт на зеленый провод вызывной, далее черный провод вызывной идет на зеленый коданаборной, а черный коданаборной идёт на красный замка. Всё цепь замкнута. На схеме наоборот - рвется минусовой провод, а плюсовой целым идёт от БП до замка.
Про оранжевый провод думаю подключайте, теоретически ничего плохого не будет.
Спасибо. По вашей схеме не получилось, но сподвигло на мысль и все получилось)
Re: Подключение кодонаборной панели, вызывной панели и кнопк
Может напишете или уже секрет? По другому никак.