Спектрон 204
Спектрон 204
Помогите пожалуйста, может быть кто сталкивался: сделали монтаж пожарной сигнализации склада на "спектронах 204" по 2-3 датчика в шлейфе,+ ИПР, ПКП - Сигнал 10. Расключение спектрона двупроводное
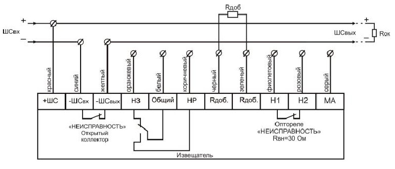
Плюсы шлейфа скручиваю вместе соединяю с красным проводом спектрона, один минус шлейфа на синий провод спектрона второй минус на желтый соответсвенно. На черный и зеленый добавочное сопротивление номиналом 450 ом.
Тип шлейфа комбинированный пожарный.
Теперь к проблеме, все шлейфа становяться под охрану без проблем, но через 6-20 часов они начинают давать ложные сработки, причем зачастую в одно и тоже фиксированное время. Решил действовать методом исключения на объекте оставил 3 спектрона ( по одному в каждом шлейфе) и три забрал проверить на другом пкп(гранит 16), на объекте стоят как вкопанные ложняков нет, на граните та же история дают ложняки через определенный промежуток времени, решил что бракованные датчики взял другие ( не из этой партии) поставил на обьект и началась та же история то есть через определённое время все шлейфа срываются и дают ложняки. Что это может быть может кто сталкивался? начинаю грешить на добавочные ибо мыслей уже нет никаких, ПС а без них вообще не берутся под охрану.
Тип шлейфа комбинированный пожарный.
Теперь к проблеме, все шлейфа становяться под охрану без проблем, но через 6-20 часов они начинают давать ложные сработки, причем зачастую в одно и тоже фиксированное время. Решил действовать методом исключения на объекте оставил 3 спектрона ( по одному в каждом шлейфе) и три забрал проверить на другом пкп(гранит 16), на объекте стоят как вкопанные ложняков нет, на граните та же история дают ложняки через определенный промежуток времени, решил что бракованные датчики взял другие ( не из этой партии) поставил на обьект и началась та же история то есть через определённое время все шлейфа срываются и дают ложняки. Что это может быть может кто сталкивался? начинаю грешить на добавочные ибо мыслей уже нет никаких, ПС а без них вообще не берутся под охрану.
-
GenaSPB
- Модератор
- Сообщения: 11346
- Зарегистрирован: 20 апр 2010, 11:33
- Откуда: Санкт-Петербург
- Контактная информация:
Re: Спектрон 204
А чего это ты шлейф пожарки подключаешь к выходу неисправность? От того и не берется под охрану с снятыми доб резисторами. И для Сигнала 10 добавочный в данном случае должен быть 1,5 КОм по всей видимости.
Re: Спектрон 204
По руководству пытался,
https://www.tinko.ru/upload/ftp/ftpextr ... DBC8A8.pdf" onclick="window.open(this.href);return false;
тк с такими спектронами впервые столкнулся, то бишь попробовать эту схему( плюсы шлейфа скручиваем и соединяем с красным проводом датчика, минуса скручиваем и соединяем с синим проводом датчика) с добавочным 1.5 кОМ на черный и зеленый провод?
если мне не изменяет память по этой схеме брался(без добавочных резисторов), но после принудительной сработки ( направляли датчик на открытое пламя) он не восстанавливался те повторно не получалось его взять под охрану.
https://www.tinko.ru/upload/ftp/ftpextr ... DBC8A8.pdf" onclick="window.open(this.href);return false;
тк с такими спектронами впервые столкнулся, то бишь попробовать эту схему( плюсы шлейфа скручиваем и соединяем с красным проводом датчика, минуса скручиваем и соединяем с синим проводом датчика) с добавочным 1.5 кОМ на черный и зеленый провод?
если мне не изменяет память по этой схеме брался(без добавочных резисторов), но после принудительной сработки ( направляли датчик на открытое пламя) он не восстанавливался те повторно не получалось его взять под охрану.
Re: Спектрон 204
а что происходит в это время?
У меня они обожали срабатывать при включениях ламп накаливания 250вт. В бензопромывалке. Светильники защищенные, пока плафон стоит - все нормально. Как только лампочка сгорает, её меняют, плафон ессно снят - 90% сработка. И от других такое то же слышал.
Вылечил экранировкой частичной лампочки.
У меня они обожали срабатывать при включениях ламп накаливания 250вт. В бензопромывалке. Светильники защищенные, пока плафон стоит - все нормально. Как только лампочка сгорает, её меняют, плафон ессно снят - 90% сработка. И от других такое то же слышал.
Вылечил экранировкой частичной лампочки.
Re: Спектрон 204
Закрыл все датчики поглядим...ALEX_SE писал(а):а что происходит в это время?
У меня они обожали срабатывать при включениях ламп накаливания 250вт. В бензопромывалке. Светильники защищенные, пока плафон стоит - все нормально. Как только лампочка сгорает, её меняют, плафон ессно снят - 90% сработка. И от других такое то же слышал.
Вылечил экранировкой частичной лампочки.
Re: Спектрон 204
кому интересно сработки были от бликов солнца от поверхностей профлистов, и упаковочного полиэтилена во время восхода и заката, всю кровь выпили тема закрыта проблема найдена