DVR H.264 model ST-08H1 висит на заставке
DVR H.264 model ST-08H1 висит на заставке
8 канальный dvr висит на заставке, через терминал нет приглашения остановить загрузку, привожу лог загрузки
########################################
## Company : APPLITION ##
## Create Date : 16:02:52 Oct 7 2010 ##
## Module Name : ADR2016 ##
## Revision : 0.0.d ##
## Engineer : HEE MEON LEE ##
########################################
PHY 0 Addr 1 Vendor ID: 0x0000ffff
mii_write: phy_addr=0x1 reg_addr=0x4 value=0x5e1
mii_write: phy_addr=0x1 reg_addr=0x9 value=0x300
mii_write: phy_addr=0x1 reg_addr=0x0 value=0x1200
mii_write: phy_addr=0x1 reg_addr=0x0 value=0x9200
mii_write: phy_addr=0x1 reg_addr=0x0 value=0x1200
PCI Scan: Found Bus 0, Device 0, Function 0
PCI Scan: Found Bus 0, Device 9, Function 0
00 09 9413 6110 0400 00
Load flash data from 0x30240000 size c6000 to a00000
VIDEO TYPE: PAL
Load kernel from 0x30020000 to 0x1c00000 size 2097152
Load RAM DISK from 0x303c0000 to 0x800000 size 12845056
Uncompressing Linux.............................................................
...................................................... done, booting the kernel.
Linux version 2.6.15 (root@lhm-linux) (gcc version 3.4.4) #1270 Thu Oct 7 12:06:
50 KST 2010
CPU: FA526id(wb) [66015261] revision 1 (ARMv4)
Machine: GeminiA
Ignoring unrecognised tag 0x00000000
Memory policy: ECC disabled, Data cache writeback
CPU0: D VIVT write-back cache
CPU0: I cache: 16384 bytes, associativity 2, 16 byte lines, 512 sets
CPU0: D cache: 8192 bytes, associativity 2, 16 byte lines, 256 sets
Built 1 zonelists
Kernel command line: root=/dev/ram0 rw console=ttySL0,115200 initrd=0x00800000,1
7M ramdisk_size=17408
PID hash table entries: 1024 (order: 10, 16384 bytes)
Bus: 150MHz(2/1)
Console: colour dummy device 80x30
SL2312_DRAM_CTRL_BASE DRAM_RD_DLL VALUE = 0x8080808
SL2312_DRAM_CTRL_BASE DRAM_WR_DLL VALUE = 0x1a
sl2312 console setup :
Disable IDE...config to SATA mode
Dentry cache hash table entries: 32768 (order: 5, 131072 bytes)
Inode-cache hash table entries: 16384 (order: 4, 65536 bytes)
Memory: 128MB = 128MB total
Memory: 108032KB available (2922K code, 1130K data, 128K init)
Mount-cache hash table entries: 512
*** Page_chain_cachep Init!***
CPU: Testing write buffer coherency: ok
checking if image is initramfs...it isn't (no cpio magic); looks like an initrd
Freeing initrd memory: 17408K
NET: Registered protocol family 16
PCI: bus0: Fast back to back transfers disabled
sl2312_pci_map_irq : slot = 0 pin = 1
sl2312_pci_map_irq : slot = 9 pin = 1
Generic PHY: Registered new driver
SCSI subsystem initialized
usbcore: registered new driver usbfs
usbcore: registered new driver hub
NetWinder Floating Point Emulator V0.97 (double precision)
VFS: Disk quotas dquot_6.5.1
Dquot-cache hash table entries: 1024 (order 0, 4096 bytes)
JFFS2 version 2.2. (NAND) (C) 2001-2003 Red Hat, Inc.
JFS: nTxBlock = 980, nTxLock = 7846
Initializing Cryptographic API
io scheduler noop registered
io scheduler anticipatory registered
io scheduler deadline registered
io scheduler cfq registered
Real Time Clock Driver v0.10
Gemini Gpio init
Cortina crypto Initialization
ttySL0 at MMIO 0x42000000 (irq = 18) is a SL2312
RAMDISK driver initialized: 16 RAM disks of 17408K size 1024 blocksize
loop: loaded (max 8 devices)
nbd: registered device at major 43
Cortina Systems, Inc. SL351x Giga Ethernet driver 0.2.1 built at Oct 7 2010 12:
06:46
Uniform Multi-Platform E-IDE driver Revision: 7.00alpha2
ide: Assuming 33MHz system bus speed for PIO modes; override with idebus=xx
sata_lepus1 version 0.1
libata: init mutex, seam, run kernel thread for DMA queueing
ata1: SATA max UDMA/133 cmd 0xC88FE020 ctl 0xC88FE036 bmdma 0xC88FE000 irq 5
L125@libata_dma_kthread: kernel thread for dma
scsi0 : sata_lepus1
GLOBAL_IOPAD_REG VALUE = 0x5df0fff
sata_lepus0 version 0.1
libata: init mutex, seam, run kernel thread for DMA queueing
ata2: SATA max UDMA/100 cmd 0xC8902020 ctl 0xC8902036 bmdma 0xC8902000 irq 4
L125@libata_dma_kthread: kernel thread for dma
scsi1 : sata_lepus0
SCSI Media Changer driver v0.25
SL35XX MTD Driver Init.......
SL2312 CFI Flash: Found 1 x16 devices at 0x0 in 16-bit bank
Amd/Fujitsu Extended Query Table at 0x0040
number of CFI chips: 1
cfi_cmdset_0002: Disabling erase-suspend-program due to code brokenness.
Creating 6 MTD partitions on "SL2312 CFI Flash":
0x00000000-0x00020000 : "RedBoot"
0x00020000-0x00220000 : "Kernel"
0x00220000-0x00240000 : "VCTL"
0x00240000-0x00320000 : "Logo Image"
0x00320000-0x003c0000 : "CurConf"
0x003c0000-0x01000000 : "Ramdisk"
SL35XX MTD Driver Init Success ......
FTC_FOTG2XX : Init FOTG2XX Driver
Init FOTG2xx driver
FTC_FOTG2XX : >>> Found FOTG2XX ...
pFTC_OTG c1550300
FTC_FOTG2XX_1 : Init FOTG2XX Driver
Init FOTG2xx driver
FTC_FOTG2XX_1 : >>> Found FOTG2XX ...
pFTC_OTG_1 c1550240
hcd->self.controller c17cf400
hcd end
hcd_buffer_create
ehci-hcd-FOTG2XX ehci-hcd-FOTG2XX: new USB bus registered, assigned bus number 1
usb_register_bus
ghcd_FOTG2XX hcd c17cf400
hcd_irq_For_OTG
ehci->caps->length 10, hcd->regs f6800000 , ehci->regs f6800010
udev->state 1
drivers/usb/host/ehci-hcd-FOTG2XX.c: USB support enabled, EHCI rev 101. 0
Timing on EOF1(0xf6800040) = 0xd
hub 1-0:1.0: USB hub found
hub 1-0:1.0: 1 port detected
FTC_FOTG2XX : >>> +FOTG2XX_get_otg_transceiver
FTC_FOTG2XX : registered host c17cf400
OTG2XX act as HOST only (don't need to wait gadget driver)
+(OTGC_Init)
pFTC_OTG->otg.default_a=1
+(OTGC_Init)
pFTC_OTG->otg.default_a=1
OTG_enable_VBUS
FTC_FOTG2XX : >>> Drive VBUS ok...
+OTGP_Close()
OTG2XX act as HOST only (remove gadget function)
+OTGH_Open()(0x30=0x0)
OTG_enable_VBUS
mdwOTGC_Control_A_VBUS_VLD_Rd 80000
+OTGP_Close()
OTG2XX act as HOST only (remove gadget function)
+OTGH_Open()(0x30=0x0)
ehci otg_set_host status 0
enable_irq(10) unbalanced from c020f0c0
hcd->self.controller c17f7c00
hcd end
hcd_buffer_create
ehci-hcd-FOTG2XX-1 ehci-hcd-FOTG2XX-1: new USB bus registered, assigned bus numb
er 2
usb_register_bus
ghcd_FOTG2XX_1 hcd c17f7c00
hcd_irq_For_OTG_1
ehci->caps->length 10, hcd->regs f6900000 , ehci->regs f6900010
udev->state 1
drivers/usb/host/ehci-hcd-FOTG2XX-1.c: USB support enabled, EHCI rev 101. 0
Timing on EOF1(0xf6900040) = 0xd
hub 2-0:1.0: USB hub found
hub 2-0:1.0: 1 port detected
connect_change 1
clear_bit
return set_bit
FTC_FOTG2XX_1 : >>> +FOTG2XX_get_otg_transceiver_1
FTC_FOTG2XX_1 : registered host c17f7c00
OTG2XX act as HOST only (don't need to wait gadget driver)
+(OTGC_Init_1)
pFTC_OTG_1->otg.default_a=1
+(OTGC_Init_1)
pFTC_OTG_1->otg.default_a=1
OTG_enable_VBUS
FTC_FOTG2XX_1 : >>> Drive VBUS ok...
+OTGP_Close_1()
OTG2XX act as HOST only (remove gadget function)
+OTGH_Open_1()(0x30=0x0)
OTG_enable_VBUS
mdwOTGC_Control_A_VBUS_VLD_Rd 80000
+OTGP_Close_1()
OTG2XX act as HOST only (remove gadget function)
+OTGH_Open_1()(0x30=0x0)
ehci otg_set_host status 0
enable_irq(11) unbalanced from c0213e60
Initializing USB Mass Storage driver...
usbcore: registered new driver usb-storage
USB Mass Storage support registered.
usbcore: registered new driver usbmouse
drivers/usb/input/usbmouse.c: v1.6:USB HID Boot Protocol mouse driver
mice: PS/2 mouse device common for all mice
i2c /dev entries driver
ipsec_init : cryptographic accelerator
ipsec tx_desc = ffc30000
ipsec rx_desc = ffc31000
ipsec tx_desc_dma = 017ff000
ipsec rx_desc_dma = 01000000
oprofile: using timer interrupt.
u32 classifier
NET: Registered protocol family 2
connect_change 1
clear_bit
return set_bit
IP route cache hash table entries: 2048 (order: 1, 8192 bytes)
TCP established hash table entries: 8192 (order: 3, 32768 bytes)
TCP bind hash table entries: 8192 (order: 3, 32768 bytes)
TCP: Hash tables configured (established 8192 bind 8192)
TCP reno registered
TCP bic registered
NET: Registered protocol family 1
NET: Registered protocol family 17
RAMDISK: Compressed image found at block 0
VFS: Mounted root (ext2 filesystem).
Freeing init memory: 128K
------------ Before call 'hwclock -su' -----------
Thu Jan 1 09:00:06 KST 1970
------------ After call 'hwclock -su' ------------
Thu Jan 1 09:00:06 KST 1970
Thu Jan 1 09:00:06 KST 1970
Thu Jan 1 09:00:06 KST 1970
Thu Jan 1 09:00:06 KST 1970
Thu Jan 1 09:00:06 KST 1970
Thu Jan 1 09:00:06 KST 1970
Thu Jan 1 09:00:06 KST 1970
Thu Jan 1 09:00:06 KST 1970
Thu Jan 1 09:00:06 KST 1970
Thu Jan 1 09:00:06 KST 1970
Thu Jan 1 09:00:06 KST 1970
--------------------------------------------------
Mounting proc filesystem...
Mounting sys filesystem...
Mounting /dev/mtdblock4 filesystem...
Unable to handle kernel NULL pointer dereference at virtual address 00000010
pgd = c0004000
[00000010] *pgd=00000000
Internal error: Oops: 17 [#1]
Modules linked in:
CPU: 0
PC is at jffs2_truncate_fragtree+0xbc/0xf0
LR is at jffs2_truncate_fragtree+0x24/0xf0
pc : [<c01125e8>] lr : [<c0112550>] Not tainted
sp : c7f0dc7c ip : 00000000 fp : c7f0dc9c
r10: c1024e00 r9 : 00000000 r8 : c1024e00
r7 : c1024414 r6 : 00000036 r5 : 00000000 r4 : c7f0dcc8
r3 : c7f0dd28 r2 : 00000036 r1 : 00000036 r0 : 00000000
Flags: nZCv IRQs on FIQs on Mode SVC_32 Segment user
Control: 397F Table: 01A30000 DAC: 00000015
Process jffs2_gcd_mtd4 (pid: 65, stack limit = 0xc7f0c194)
Stack: (0xc7f0dc7c to 0xc7f0e000)
dc60: c7f0dcc8
dc80: 00000000 00000000 00000000 c7f0b438 c7f0dd20 c7f0dca0 c0116558 c011253c
dca0: c7f0dcc8 c7f0dd28 c7f0dccc 00000001 00000000 c1023c60 c1024410 c7f0b438
dcc0: c7f0dd28 c1024400 00000044 c7f0a3cc 00000044 ffffffff 00000000 00000028
dce0: 00000000 ffffffff 00000000 c7f0a3cc ffffffff ffffffff c1024400 00000000
dd00: c7f003c8 c1024e00 c1024ee8 c1024e2c 00000000 c7f0dd88 c7f0dd24 c0116800
dd20: c0115168 ffffffff e0021985 00000044 98f7fb1d 0000014a 0000000a 000081ed
dd40: 00000000 00000036 4cad4f3b 4adea3fd 00000007 00000000 00000000 00000000
dd60: 00000000 00000000 4d3df9c3 c7f003c8 c7f0c000 00000000 c1024e00 c7f0df58
dd80: c7f0dd8c c011a414 c01167a8 ffffffff ffffffff ffffffff ffffffff ffffffff
dda0: ffffffff ffffffff ffffffff ffffffff ffffffff ffffffff ffffffff ffffffff
ddc0: ffffffff ffffffff ffffffff ffffffff ffffffff ffffffff ffffffff ffffffff
dde0: ffffffff ffffffff ffffffff ffffffff ffffffff ffffffff ffffffff ffffffff
de00: ffffffff ffffffff ffffffff ffffffff ffffffff ffffffff ffffffff ffffffff
de20: ffffffff ffffffff ffffffff ffffffff ffffffff ffffffff ffffffff ffffffff
de40: ffffffff ffffffff ffffffff ffffffff ffffffff ffffffff ffffffff ffffffff
de60: 00000000 c02b9ce4 00000000 00000020 ffffff34 ffffffff ffffffff ffffffff
de80: ffffffff ffffffff ffffffff ffffffff ffffffff ffffffff ffffffff ffffffff
dea0: ffffffff ffffffff ffffffff c7f0ded4 c7f0debc c0039a20 c0039908 c000bac0
dec0: c0387538 c000bac0 c7f0df04 c7f0ded8 c0039cc4 c0039860 20000093 00000001
dee0: c1024e18 c1024e18 00000001 00000000 c7f0c000 c7f0c000 c7f0df44 c7f0df08
df00: c02b3fc4 c002d594 c000b874 c7f0c000 a0cccc00 0098963c c000b96c c7f0c000
df20: c7f0c000 c1024e00 00000000 c7f0df48 00000000 c7f0c000 c1024e00 00000000
df40: 00000000 00000000 00000000 c7f0dff4 c7f0df5c c011cf0c c011a294 ffffffff
df60: ffffffff ffffffff ffffffff ffffffff ffffffff ffffffff ffffffff ffffffff
df80: ffffffff ffffffff ffffffff ffffffff ffffffff ffffffff 00000000 00000000
dfa0: 00000000 c7f0dfb0 c0028ca4 c0039f94 00000000 c1024e00 c011ce14 c003fc20
dfc0: 00000000 00000000 00000000 00000000 00000000 00000000 00000000 00000000
dfe0: 00000000 00000000 00000000 c7f0dff8 c003fc20 c011ce24 ffffffff ffffffff
Backtrace:
[<c011252c>] (jffs2_truncate_fragtree+0x0/0xf0) from [<c0116558>] (jffs2_do_read
_inode_internal+0x1400/0x1640)
r8 = C7F0B438 r7 = 00000000 r6 = 00000000 r5 = 00000000
r4 = C7F0DCC8
[<c0115158>] (jffs2_do_read_inode_internal+0x0/0x1640) from [<c0116800>] (jffs2_
do_crccheck_inode+0x68/0xc0)
[<c0116798>] (jffs2_do_crccheck_inode+0x0/0xc0) from [<c011a414>] (jffs2_garbage
_collect_pass+0x190/0x18b8)
r7 = C1024E00 r6 = 00000000 r5 = C7F0C000 r4 = C7F003C8
[<c011a284>] (jffs2_garbage_collect_pass+0x0/0x18b8) from [<c011cf0c>] (jffs2_ga
rbage_collect_thread+0xf8/0x134)
[<c011ce14>] (jffs2_garbage_collect_thread+0x0/0x134) from [<c003fc20>] (do_exit
+0x0/0xb44)
r6 = 00000000 r5 = 00000000 r4 = 00000000
Code: e1a00003 e5903008 e3530000 1afffffb (e5902010)
/dev/mtdblock4 on /mnt/config type jffs2 (rw,noatime)
status=STATIC
iface=eth0
ip=192.168.0.100
subnet=255.255.255.0
router=192.168.0.1
Надпись на плате ASMWS101B-R02 есть кнопка сброса,но она не реагирует.
Как загрузку остановить может знающие подскажут
########################################
## Company : APPLITION ##
## Create Date : 16:02:52 Oct 7 2010 ##
## Module Name : ADR2016 ##
## Revision : 0.0.d ##
## Engineer : HEE MEON LEE ##
########################################
PHY 0 Addr 1 Vendor ID: 0x0000ffff
mii_write: phy_addr=0x1 reg_addr=0x4 value=0x5e1
mii_write: phy_addr=0x1 reg_addr=0x9 value=0x300
mii_write: phy_addr=0x1 reg_addr=0x0 value=0x1200
mii_write: phy_addr=0x1 reg_addr=0x0 value=0x9200
mii_write: phy_addr=0x1 reg_addr=0x0 value=0x1200
PCI Scan: Found Bus 0, Device 0, Function 0
PCI Scan: Found Bus 0, Device 9, Function 0
00 09 9413 6110 0400 00
Load flash data from 0x30240000 size c6000 to a00000
VIDEO TYPE: PAL
Load kernel from 0x30020000 to 0x1c00000 size 2097152
Load RAM DISK from 0x303c0000 to 0x800000 size 12845056
Uncompressing Linux.............................................................
...................................................... done, booting the kernel.
Linux version 2.6.15 (root@lhm-linux) (gcc version 3.4.4) #1270 Thu Oct 7 12:06:
50 KST 2010
CPU: FA526id(wb) [66015261] revision 1 (ARMv4)
Machine: GeminiA
Ignoring unrecognised tag 0x00000000
Memory policy: ECC disabled, Data cache writeback
CPU0: D VIVT write-back cache
CPU0: I cache: 16384 bytes, associativity 2, 16 byte lines, 512 sets
CPU0: D cache: 8192 bytes, associativity 2, 16 byte lines, 256 sets
Built 1 zonelists
Kernel command line: root=/dev/ram0 rw console=ttySL0,115200 initrd=0x00800000,1
7M ramdisk_size=17408
PID hash table entries: 1024 (order: 10, 16384 bytes)
Bus: 150MHz(2/1)
Console: colour dummy device 80x30
SL2312_DRAM_CTRL_BASE DRAM_RD_DLL VALUE = 0x8080808
SL2312_DRAM_CTRL_BASE DRAM_WR_DLL VALUE = 0x1a
sl2312 console setup :
Disable IDE...config to SATA mode
Dentry cache hash table entries: 32768 (order: 5, 131072 bytes)
Inode-cache hash table entries: 16384 (order: 4, 65536 bytes)
Memory: 128MB = 128MB total
Memory: 108032KB available (2922K code, 1130K data, 128K init)
Mount-cache hash table entries: 512
*** Page_chain_cachep Init!***
CPU: Testing write buffer coherency: ok
checking if image is initramfs...it isn't (no cpio magic); looks like an initrd
Freeing initrd memory: 17408K
NET: Registered protocol family 16
PCI: bus0: Fast back to back transfers disabled
sl2312_pci_map_irq : slot = 0 pin = 1
sl2312_pci_map_irq : slot = 9 pin = 1
Generic PHY: Registered new driver
SCSI subsystem initialized
usbcore: registered new driver usbfs
usbcore: registered new driver hub
NetWinder Floating Point Emulator V0.97 (double precision)
VFS: Disk quotas dquot_6.5.1
Dquot-cache hash table entries: 1024 (order 0, 4096 bytes)
JFFS2 version 2.2. (NAND) (C) 2001-2003 Red Hat, Inc.
JFS: nTxBlock = 980, nTxLock = 7846
Initializing Cryptographic API
io scheduler noop registered
io scheduler anticipatory registered
io scheduler deadline registered
io scheduler cfq registered
Real Time Clock Driver v0.10
Gemini Gpio init
Cortina crypto Initialization
ttySL0 at MMIO 0x42000000 (irq = 18) is a SL2312
RAMDISK driver initialized: 16 RAM disks of 17408K size 1024 blocksize
loop: loaded (max 8 devices)
nbd: registered device at major 43
Cortina Systems, Inc. SL351x Giga Ethernet driver 0.2.1 built at Oct 7 2010 12:
06:46
Uniform Multi-Platform E-IDE driver Revision: 7.00alpha2
ide: Assuming 33MHz system bus speed for PIO modes; override with idebus=xx
sata_lepus1 version 0.1
libata: init mutex, seam, run kernel thread for DMA queueing
ata1: SATA max UDMA/133 cmd 0xC88FE020 ctl 0xC88FE036 bmdma 0xC88FE000 irq 5
L125@libata_dma_kthread: kernel thread for dma
scsi0 : sata_lepus1
GLOBAL_IOPAD_REG VALUE = 0x5df0fff
sata_lepus0 version 0.1
libata: init mutex, seam, run kernel thread for DMA queueing
ata2: SATA max UDMA/100 cmd 0xC8902020 ctl 0xC8902036 bmdma 0xC8902000 irq 4
L125@libata_dma_kthread: kernel thread for dma
scsi1 : sata_lepus0
SCSI Media Changer driver v0.25
SL35XX MTD Driver Init.......
SL2312 CFI Flash: Found 1 x16 devices at 0x0 in 16-bit bank
Amd/Fujitsu Extended Query Table at 0x0040
number of CFI chips: 1
cfi_cmdset_0002: Disabling erase-suspend-program due to code brokenness.
Creating 6 MTD partitions on "SL2312 CFI Flash":
0x00000000-0x00020000 : "RedBoot"
0x00020000-0x00220000 : "Kernel"
0x00220000-0x00240000 : "VCTL"
0x00240000-0x00320000 : "Logo Image"
0x00320000-0x003c0000 : "CurConf"
0x003c0000-0x01000000 : "Ramdisk"
SL35XX MTD Driver Init Success ......
FTC_FOTG2XX : Init FOTG2XX Driver
Init FOTG2xx driver
FTC_FOTG2XX : >>> Found FOTG2XX ...
pFTC_OTG c1550300
FTC_FOTG2XX_1 : Init FOTG2XX Driver
Init FOTG2xx driver
FTC_FOTG2XX_1 : >>> Found FOTG2XX ...
pFTC_OTG_1 c1550240
hcd->self.controller c17cf400
hcd end
hcd_buffer_create
ehci-hcd-FOTG2XX ehci-hcd-FOTG2XX: new USB bus registered, assigned bus number 1
usb_register_bus
ghcd_FOTG2XX hcd c17cf400
hcd_irq_For_OTG
ehci->caps->length 10, hcd->regs f6800000 , ehci->regs f6800010
udev->state 1
drivers/usb/host/ehci-hcd-FOTG2XX.c: USB support enabled, EHCI rev 101. 0
Timing on EOF1(0xf6800040) = 0xd
hub 1-0:1.0: USB hub found
hub 1-0:1.0: 1 port detected
FTC_FOTG2XX : >>> +FOTG2XX_get_otg_transceiver
FTC_FOTG2XX : registered host c17cf400
OTG2XX act as HOST only (don't need to wait gadget driver)
+(OTGC_Init)
pFTC_OTG->otg.default_a=1
+(OTGC_Init)
pFTC_OTG->otg.default_a=1
OTG_enable_VBUS
FTC_FOTG2XX : >>> Drive VBUS ok...
+OTGP_Close()
OTG2XX act as HOST only (remove gadget function)
+OTGH_Open()(0x30=0x0)
OTG_enable_VBUS
mdwOTGC_Control_A_VBUS_VLD_Rd 80000
+OTGP_Close()
OTG2XX act as HOST only (remove gadget function)
+OTGH_Open()(0x30=0x0)
ehci otg_set_host status 0
enable_irq(10) unbalanced from c020f0c0
hcd->self.controller c17f7c00
hcd end
hcd_buffer_create
ehci-hcd-FOTG2XX-1 ehci-hcd-FOTG2XX-1: new USB bus registered, assigned bus numb
er 2
usb_register_bus
ghcd_FOTG2XX_1 hcd c17f7c00
hcd_irq_For_OTG_1
ehci->caps->length 10, hcd->regs f6900000 , ehci->regs f6900010
udev->state 1
drivers/usb/host/ehci-hcd-FOTG2XX-1.c: USB support enabled, EHCI rev 101. 0
Timing on EOF1(0xf6900040) = 0xd
hub 2-0:1.0: USB hub found
hub 2-0:1.0: 1 port detected
connect_change 1
clear_bit
return set_bit
FTC_FOTG2XX_1 : >>> +FOTG2XX_get_otg_transceiver_1
FTC_FOTG2XX_1 : registered host c17f7c00
OTG2XX act as HOST only (don't need to wait gadget driver)
+(OTGC_Init_1)
pFTC_OTG_1->otg.default_a=1
+(OTGC_Init_1)
pFTC_OTG_1->otg.default_a=1
OTG_enable_VBUS
FTC_FOTG2XX_1 : >>> Drive VBUS ok...
+OTGP_Close_1()
OTG2XX act as HOST only (remove gadget function)
+OTGH_Open_1()(0x30=0x0)
OTG_enable_VBUS
mdwOTGC_Control_A_VBUS_VLD_Rd 80000
+OTGP_Close_1()
OTG2XX act as HOST only (remove gadget function)
+OTGH_Open_1()(0x30=0x0)
ehci otg_set_host status 0
enable_irq(11) unbalanced from c0213e60
Initializing USB Mass Storage driver...
usbcore: registered new driver usb-storage
USB Mass Storage support registered.
usbcore: registered new driver usbmouse
drivers/usb/input/usbmouse.c: v1.6:USB HID Boot Protocol mouse driver
mice: PS/2 mouse device common for all mice
i2c /dev entries driver
ipsec_init : cryptographic accelerator
ipsec tx_desc = ffc30000
ipsec rx_desc = ffc31000
ipsec tx_desc_dma = 017ff000
ipsec rx_desc_dma = 01000000
oprofile: using timer interrupt.
u32 classifier
NET: Registered protocol family 2
connect_change 1
clear_bit
return set_bit
IP route cache hash table entries: 2048 (order: 1, 8192 bytes)
TCP established hash table entries: 8192 (order: 3, 32768 bytes)
TCP bind hash table entries: 8192 (order: 3, 32768 bytes)
TCP: Hash tables configured (established 8192 bind 8192)
TCP reno registered
TCP bic registered
NET: Registered protocol family 1
NET: Registered protocol family 17
RAMDISK: Compressed image found at block 0
VFS: Mounted root (ext2 filesystem).
Freeing init memory: 128K
------------ Before call 'hwclock -su' -----------
Thu Jan 1 09:00:06 KST 1970
------------ After call 'hwclock -su' ------------
Thu Jan 1 09:00:06 KST 1970
Thu Jan 1 09:00:06 KST 1970
Thu Jan 1 09:00:06 KST 1970
Thu Jan 1 09:00:06 KST 1970
Thu Jan 1 09:00:06 KST 1970
Thu Jan 1 09:00:06 KST 1970
Thu Jan 1 09:00:06 KST 1970
Thu Jan 1 09:00:06 KST 1970
Thu Jan 1 09:00:06 KST 1970
Thu Jan 1 09:00:06 KST 1970
Thu Jan 1 09:00:06 KST 1970
--------------------------------------------------
Mounting proc filesystem...
Mounting sys filesystem...
Mounting /dev/mtdblock4 filesystem...
Unable to handle kernel NULL pointer dereference at virtual address 00000010
pgd = c0004000
[00000010] *pgd=00000000
Internal error: Oops: 17 [#1]
Modules linked in:
CPU: 0
PC is at jffs2_truncate_fragtree+0xbc/0xf0
LR is at jffs2_truncate_fragtree+0x24/0xf0
pc : [<c01125e8>] lr : [<c0112550>] Not tainted
sp : c7f0dc7c ip : 00000000 fp : c7f0dc9c
r10: c1024e00 r9 : 00000000 r8 : c1024e00
r7 : c1024414 r6 : 00000036 r5 : 00000000 r4 : c7f0dcc8
r3 : c7f0dd28 r2 : 00000036 r1 : 00000036 r0 : 00000000
Flags: nZCv IRQs on FIQs on Mode SVC_32 Segment user
Control: 397F Table: 01A30000 DAC: 00000015
Process jffs2_gcd_mtd4 (pid: 65, stack limit = 0xc7f0c194)
Stack: (0xc7f0dc7c to 0xc7f0e000)
dc60: c7f0dcc8
dc80: 00000000 00000000 00000000 c7f0b438 c7f0dd20 c7f0dca0 c0116558 c011253c
dca0: c7f0dcc8 c7f0dd28 c7f0dccc 00000001 00000000 c1023c60 c1024410 c7f0b438
dcc0: c7f0dd28 c1024400 00000044 c7f0a3cc 00000044 ffffffff 00000000 00000028
dce0: 00000000 ffffffff 00000000 c7f0a3cc ffffffff ffffffff c1024400 00000000
dd00: c7f003c8 c1024e00 c1024ee8 c1024e2c 00000000 c7f0dd88 c7f0dd24 c0116800
dd20: c0115168 ffffffff e0021985 00000044 98f7fb1d 0000014a 0000000a 000081ed
dd40: 00000000 00000036 4cad4f3b 4adea3fd 00000007 00000000 00000000 00000000
dd60: 00000000 00000000 4d3df9c3 c7f003c8 c7f0c000 00000000 c1024e00 c7f0df58
dd80: c7f0dd8c c011a414 c01167a8 ffffffff ffffffff ffffffff ffffffff ffffffff
dda0: ffffffff ffffffff ffffffff ffffffff ffffffff ffffffff ffffffff ffffffff
ddc0: ffffffff ffffffff ffffffff ffffffff ffffffff ffffffff ffffffff ffffffff
dde0: ffffffff ffffffff ffffffff ffffffff ffffffff ffffffff ffffffff ffffffff
de00: ffffffff ffffffff ffffffff ffffffff ffffffff ffffffff ffffffff ffffffff
de20: ffffffff ffffffff ffffffff ffffffff ffffffff ffffffff ffffffff ffffffff
de40: ffffffff ffffffff ffffffff ffffffff ffffffff ffffffff ffffffff ffffffff
de60: 00000000 c02b9ce4 00000000 00000020 ffffff34 ffffffff ffffffff ffffffff
de80: ffffffff ffffffff ffffffff ffffffff ffffffff ffffffff ffffffff ffffffff
dea0: ffffffff ffffffff ffffffff c7f0ded4 c7f0debc c0039a20 c0039908 c000bac0
dec0: c0387538 c000bac0 c7f0df04 c7f0ded8 c0039cc4 c0039860 20000093 00000001
dee0: c1024e18 c1024e18 00000001 00000000 c7f0c000 c7f0c000 c7f0df44 c7f0df08
df00: c02b3fc4 c002d594 c000b874 c7f0c000 a0cccc00 0098963c c000b96c c7f0c000
df20: c7f0c000 c1024e00 00000000 c7f0df48 00000000 c7f0c000 c1024e00 00000000
df40: 00000000 00000000 00000000 c7f0dff4 c7f0df5c c011cf0c c011a294 ffffffff
df60: ffffffff ffffffff ffffffff ffffffff ffffffff ffffffff ffffffff ffffffff
df80: ffffffff ffffffff ffffffff ffffffff ffffffff ffffffff 00000000 00000000
dfa0: 00000000 c7f0dfb0 c0028ca4 c0039f94 00000000 c1024e00 c011ce14 c003fc20
dfc0: 00000000 00000000 00000000 00000000 00000000 00000000 00000000 00000000
dfe0: 00000000 00000000 00000000 c7f0dff8 c003fc20 c011ce24 ffffffff ffffffff
Backtrace:
[<c011252c>] (jffs2_truncate_fragtree+0x0/0xf0) from [<c0116558>] (jffs2_do_read
_inode_internal+0x1400/0x1640)
r8 = C7F0B438 r7 = 00000000 r6 = 00000000 r5 = 00000000
r4 = C7F0DCC8
[<c0115158>] (jffs2_do_read_inode_internal+0x0/0x1640) from [<c0116800>] (jffs2_
do_crccheck_inode+0x68/0xc0)
[<c0116798>] (jffs2_do_crccheck_inode+0x0/0xc0) from [<c011a414>] (jffs2_garbage
_collect_pass+0x190/0x18b8)
r7 = C1024E00 r6 = 00000000 r5 = C7F0C000 r4 = C7F003C8
[<c011a284>] (jffs2_garbage_collect_pass+0x0/0x18b8) from [<c011cf0c>] (jffs2_ga
rbage_collect_thread+0xf8/0x134)
[<c011ce14>] (jffs2_garbage_collect_thread+0x0/0x134) from [<c003fc20>] (do_exit
+0x0/0xb44)
r6 = 00000000 r5 = 00000000 r4 = 00000000
Code: e1a00003 e5903008 e3530000 1afffffb (e5902010)
/dev/mtdblock4 on /mnt/config type jffs2 (rw,noatime)
status=STATIC
iface=eth0
ip=192.168.0.100
subnet=255.255.255.0
router=192.168.0.1
Надпись на плате ASMWS101B-R02 есть кнопка сброса,но она не реагирует.
Как загрузку остановить может знающие подскажут
Re: DVR H.264 model ST-08H1 висит на заставке
Загрузчик своей сборки. Выпаяй и ручками в дампе почисть раздел настроек. На монтировании раздела с настройками падает.
Re: DVR H.264 model ST-08H1 висит на заставке
Выпаять не проблема, прогера с панелькой под такие микрухи нет!
Re: DVR H.264 model ST-08H1 висит на заставке
Флеш какая? NOR? Замкните адресные линии какие-нить, после активации бута
Re: DVR H.264 model ST-08H1 висит на заставке
Не могу в сети найти мануал на "SL2312 CFI Flash" ,где замкнуть не знаюdede писал(а):Флеш какая? NOR? Замкните адресные линии какие-нить, после активации бута
Re: DVR H.264 model ST-08H1 висит на заставке
Под микроскопом рассмотрел S29GL128P90T , сейчас найду даташит посмотрю.
Re: DVR H.264 model ST-08H1 висит на заставке
Это все стандартные микросхемы, коротите от A2-А10 или выше
Re: DVR H.264 model ST-08H1 висит на заставке
Спасибо! Попробую остановить загрузку, а дальше думаю команда help должна работать.
Так как на картинке пойдет или на корпус коротнуть?
Так как на картинке пойдет или на корпус коротнуть?
Re: DVR H.264 model ST-08H1 висит на заставке
Можно просто соседние, А2-А3 или А3-А4, зависит от размера бута
Re: DVR H.264 model ST-08H1 висит на заставке
Понятно. Спасибо!dede писал(а):Можно просто соседние, А2-А3 или А3-А4, зависит от размера бута
Re: DVR H.264 model ST-08H1 висит на заставке
Пробовал замыкать А2-А3, А3-А4 и.т.д загрузка останавливается, но никаких приглашений нет,на ввод enter и других символов печатает какую то билебирду
########################################
## Company : APPLITION ##
## Create Date : 16:02:52 Oct 7 2010 ##
## Module Name : ADR2016 ##
## Revision : 0.0.d ##
## Engineer : HEE MEON LEE ##
########################################
PHY 0 Addr 1 Vendor ID: 0x0000ffff
mii_write: phy_addr=0x1 reg_addr=0x4 value=0x5e1
mii_write: phy_addr=0x1 reg_addr=0x9 value=0x300
mii_write: phy_addr=0x1 reg_addr=0x0 value=0x1200
mii_write: phy_addr=0x1 reg_addr=0x0 value=0x9200
mii_write: phy_addr=0x1 reg_addr=0x0 value=0x1200
PCI Scan: Found Bus 0, Device 0, Function 0
PCI Scan: Found Bus 0, Device 9, Function 0
00 09 9413 6110 0400 00
Load flash data from 0x30240000 size c6000 to a00000
VIDEO TYPE: PAL
Load kernel from 0x30020000 to 0x1c00000 size 2097152
Load RAM DISK from 0x303c0000 to 0x800000 size 12845056
ььььюьььььььььюььшшьшшьшш ч ьььь
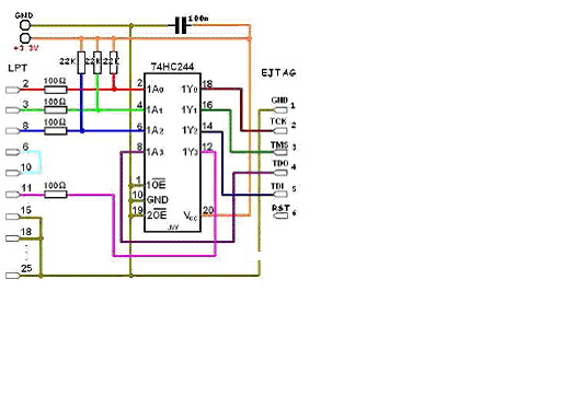
Может возможно как то через jtag подключится и дамп слить например через такой, у меня такой есть , через него шил SPI флешки правда долго процесс шел, но шил без ошибок
########################################
## Company : APPLITION ##
## Create Date : 16:02:52 Oct 7 2010 ##
## Module Name : ADR2016 ##
## Revision : 0.0.d ##
## Engineer : HEE MEON LEE ##
########################################
PHY 0 Addr 1 Vendor ID: 0x0000ffff
mii_write: phy_addr=0x1 reg_addr=0x4 value=0x5e1
mii_write: phy_addr=0x1 reg_addr=0x9 value=0x300
mii_write: phy_addr=0x1 reg_addr=0x0 value=0x1200
mii_write: phy_addr=0x1 reg_addr=0x0 value=0x9200
mii_write: phy_addr=0x1 reg_addr=0x0 value=0x1200
PCI Scan: Found Bus 0, Device 0, Function 0
PCI Scan: Found Bus 0, Device 9, Function 0
00 09 9413 6110 0400 00
Load flash data from 0x30240000 size c6000 to a00000
VIDEO TYPE: PAL
Load kernel from 0x30020000 to 0x1c00000 size 2097152
Load RAM DISK from 0x303c0000 to 0x800000 size 12845056
ььььюьььььььььюььшшьшшьшш ч ьььь
Может возможно как то через jtag подключится и дамп слить например через такой, у меня такой есть , через него шил SPI флешки правда долго процесс шел, но шил без ошибок
Re: DVR H.264 model ST-08H1 висит на заставке
Телнет?
Можете попробовать верхние адресные линии в разные моменты загрузки
Можете попробовать верхние адресные линии в разные моменты загрузки