JOVISION JVS-D6016-S2 камеры не показывают

Вопросы по восстановлению, настройке, апгрейду, прошивкам и т.п.
OLEG-WAR
Специалист
Сообщения: 128
Зарегистрирован: 22 авг 2016, 12:54

JOVISION JVS-D6016-S2 камеры не показывают

Сообщение OLEG-WAR » 08 мар 2018, 12:56

Добрый день Друзья
Помогите принесли такое чудо включается отображает экран
но ни одна камера не подключается
Кто сталкивался с таким подскажите где копать ? питание или ещё гдето ?
Ни одна камера не подключается все 16 входов
https://ru.files.fm/u/tzy5vmzc#_" onclick="window.open(this.href);return false;
Вложения
4.jpg
2.jpg
1.jpg

Аватара пользователя
NeiroN
Специалист
Сообщения: 475
Зарегистрирован: 15 фев 2017, 21:59
Контактная информация:

Re: JOVISION JVS-D6016-S2 камеры не показывают

Сообщение NeiroN » 08 мар 2018, 13:52

Начать надо с поиска RS232 и просмотра его логов если они есть. Также проверить питание декодеров: отклеить радиаторы с декодеров, посмотреть тип, поискать даташит, посмотреть куда оно должно приходить и есть ли оно там.

В теории: статикой выбило какой-то декодер и он просаживает питание и жутко греется.

Аватара пользователя
VirtualLink
Специалист
Сообщения: 1846
Зарегистрирован: 09 апр 2016, 12:38

Re: JOVISION JVS-D6016-S2 камеры не показывают

Сообщение VirtualLink » 08 мар 2018, 16:40

Регистратор работает, так покажи настройки сети!
Регистратор по сети видео?
http://jovision.com/" onclick="window.open(this.href);return false;

OLEG-WAR
Специалист
Сообщения: 128
Зарегистрирован: 22 авг 2016, 12:54

Re: JOVISION JVS-D6016-S2 камеры не показывают

Сообщение OLEG-WAR » 08 мар 2018, 17:47

Как расказывает друг работал и потухли все камеры
какие не подключаю не показывают
Извени причём тут сетевые настройки ?

Аватара пользователя
NeiroN
Специалист
Сообщения: 475
Зарегистрирован: 15 фев 2017, 21:59
Контактная информация:

Re: JOVISION JVS-D6016-S2 камеры не показывают

Сообщение NeiroN » 08 мар 2018, 18:05

Да его можно починить если только где-то стабилизатор сдох, а декодеры заказать и поменять сложнее и дороже - это если они входы у проца не спалили. Конечно как вариант прошивка глюканула, но это 1%

OLEG-WAR
Специалист
Сообщения: 128
Зарегистрирован: 22 авг 2016, 12:54

Re: JOVISION JVS-D6016-S2 камеры не показывают

Сообщение OLEG-WAR » 08 мар 2018, 18:19

Проверил по стабам напряжение 3,3 в 5в и 9в ( странно 9 в ??)

Аватара пользователя
NeiroN
Специалист
Сообщения: 475
Зарегистрирован: 15 фев 2017, 21:59
Контактная информация:

Re: JOVISION JVS-D6016-S2 камеры не показывают

Сообщение NeiroN » 08 мар 2018, 18:25

раз схемы нет - надо сравнивать с рабочим. Там 12в может быть - для жесткого диска, но питается он от 12в поэтому вряд ли будет стаб на 12в. скорее всего этот стаб выбило и он стал 9в гнать.

Аватара пользователя
VirtualLink
Специалист
Сообщения: 1846
Зарегистрирован: 09 апр 2016, 12:38

Re: JOVISION JVS-D6016-S2 камеры не показывают

Сообщение VirtualLink » 08 мар 2018, 18:30

OLEG-WAR писал(а):Как расказывает друг работал и потухли все камеры
какие не подключаю не показывают
Извени причём тут сетевые настройки ?
На фото нет варианта с собранным задником, а так непонятно NVR это или DVR!
Если потухли все камеры, то почему бы не преположить, что что-то с сетью что-то случилось, как с настройками, так и физически если это NVR?
Если это DVR и к черному шлейфу подключается разъем на внешнюю планку разъемов, то значит регистратор себя как будто нет физического сигнала!

dede
Специалист
Сообщения: 1957
Зарегистрирован: 22 мар 2017, 15:02
Откуда: Луганск

Re: JOVISION JVS-D6016-S2 камеры не показывают

Сообщение dede » 09 мар 2018, 07:09

OLEG-WAR писал(а):Проверил по стабам напряжение 3,3 в 5в и 9в ( странно 9 в ??)
Линейники возле АЦП в первую очередь смотреть. 9В это где, на разъеме диска?

OLEG-WAR
Специалист
Сообщения: 128
Зарегистрирован: 22 авг 2016, 12:54

Re: JOVISION JVS-D6016-S2 камеры не показывают

Сообщение OLEG-WAR » 12 мар 2018, 09:33

Прошли выходные
Можно продолжить
Питание на Диске 12в ( там всёнорм)
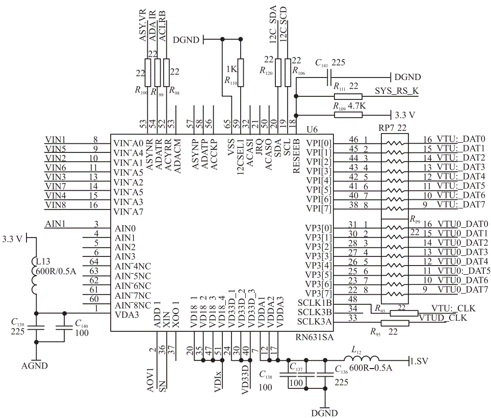
Схема видио RN6318A ( так по даташиту и не нашёл) на кокой ноге питание ?
Осталась для меня загадкой схема RT9059 ?

OLEG-WAR
Специалист
Сообщения: 128
Зарегистрирован: 22 авг 2016, 12:54

Re: JOVISION JVS-D6016-S2 камеры не показывают

Сообщение OLEG-WAR » 12 мар 2018, 09:37

Остальны фото сдесь
https://ru.files.fm/u/yw8sy966" onclick="window.open(this.href);return false;

Аватара пользователя
NeiroN
Специалист
Сообщения: 475
Зарегистрирован: 15 фев 2017, 21:59
Контактная информация:

Re: JOVISION JVS-D6016-S2 камеры не показывают

Сообщение NeiroN » 12 мар 2018, 10:04

Вокруг U17 померяй напругу на конденсаторах
RN6318A.gif
Видно что питается двумя напряжениями 1.8 В и 3.3 В

Если что спрашивай тут http://www.richnex.com/R030202RN6318Adetail.html" onclick="window.open(this.href);return false;

Ответить

Вернуться в «Восстановление и настройка»